1 / 5
| Customization: | Available |
|---|---|
| Model No.: | Omt 500 |
| Displacement: | 400 Cc |
Hydraulic Fluid Systems OMT 500 Overview
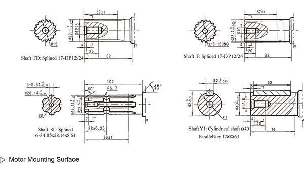
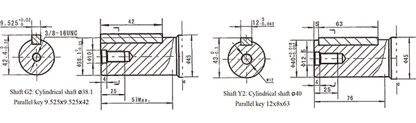
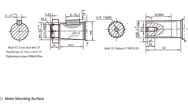
The OMT series motors adapt the advanced gear set design with DISC distribution flow and high pressure. These motors can be supplied with various options for multifunctional operations in accordance with the application requirements. The output shaft tapered roller bearings permit high axial and radial forces offering a smooth operation during low pressure start up and high pressure operation.
| Type | OMT 160 | OMT 200 | OMT 230 | OMT 250 | OMT 315 | OMT 400 | OMT 500 | OMT 630 | OMT 800 | |
|---|---|---|---|---|---|---|---|---|---|---|
| Geometric displacement (cm3 /rev.) | 161.1 | 201.4 | 232.5 | 251.8 | 326.3 | 410.9 | 523.6 | 629.1 | 801.8 | |
| Max. speed (rpm) | cont. | 625 | 625 | 536 | 500 | 380 | 305 | 240 | 196 | 154 |
| int. | 780 | 750 | 643 | 600 | 460 | 365 | 285 | 233 | 185 | |
| Max. torque (N·m) | cont. | 470 | 590 | 670 | 730 | 950 | 1080 | 1220 | 1318 | 1464 |
| int. | 560 | 710 | 821 | 880 | 1140 | 1260 | 1370 | 1498 | 1520 | |
| peak | 669 | 838 | 958 | 1036 | 1346.3 | 1450.3 | 1643.8 | 1618.8 | 1665 | |
| Max. output (kW) | cont. | 27.7 | 34.9 | 34.7 | 34.5 | 34.9 | 31.2 | 28.8 | 25.3 | 22.2 |
| int. | 32 | 40 | 40 | 40 | 40 | 35 | 35 | 27.5 | 26.8 | |
| Max. pressure drop (MPa) | cont. | 20 | 20 | 20 | 20 | 20 | 18 | 16 | 14 | 12.5 |
| int. | 24 | 24 | 24 | 24 | 24 | 21 | 18 | 16 | 13 | |
| peak | 28 | 28 | 28 | 28 | 28 | 24 | 21 | 19 | 16 | |
| Weight (kg) | 19.5 | 20 | 20.4 | 20.5 | 21 | 22 | 23 | 24 | 25 | |
* Continuous pressure: Max. value of operating motor continuously. | * Intermittent pressure: Max. value of operating motor in 6 seconds per minute. | * Peak pressure: Max. value of operating motor in 0.6 second per minute.








Mintrix Excavator